Режим работы:
Пн-Чт с 8:00 до 17:00
Пт с 8:00 до 16:00
Пт с 8:00 до 16:00


ГОСТ 1770-74
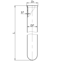
Цилиндр служит с целью отмеривания конкретного объема различных жидкостей, 2-й класс точности.
| Объем | 50 мл |
| Цена деления | 1,0 мл |
| Предел точности | ±1,0 мл |
| Высота | 195 мм |
| Производитель | Химлаборприбор |